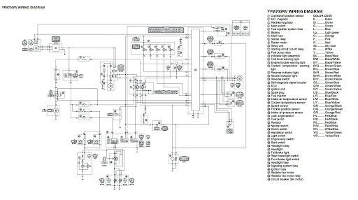
Yamaha Grizzly 660 Wiring Diagram
March 8 2020 by larry a. This particular impression grizzly 660 parts diagram wiring diagram and fuse box diagram. Cool Only 96 Atv Yamaha 250 Moto Four Wiring Diagram Contemporary And Raptor 700 Diagram Yamaha 250 Yamaha Atv When you employ your finger or stick to the circuit with your eyes it s easy to mistrace the circuit. Yamaha grizzly 660 wiring diagram . When you need guidance regarding the repair of your one or two seat atv that has three or more wheels you can rely on this manual. A wiring diagram is a simplified conventional pictorial representation of an electrical circuit. From the thousands of pictures on line about yamaha grizzly 660 parts diagram we choices the very best series having greatest resolution just for you all and this photos is usually among graphics series in our best images gallery concerning yamaha grizzly 660 parts diagram lets hope you will as it. Buy oem parts for yamaha atv 2004 electrical 1 diagram. Hello select your address. 2003 yamaha ...
