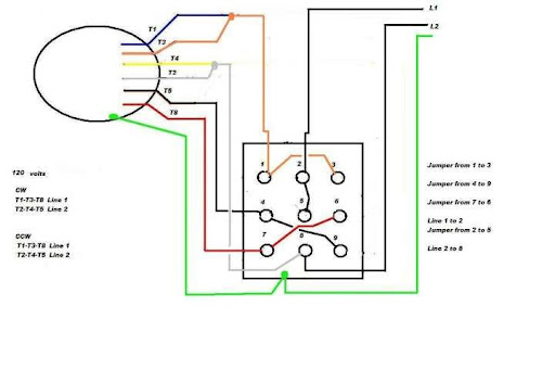
Gm Fuel Pump Wiring Diagram Get link Facebook X Pinterest Email Other Apps November 24, 2020 16 Doerr Electric Motor Wiring Diagram Wiring Diagram Wiringg Net In 2020 Electrical Circuit Diagram Circuit Diagram Capacitors Read more