Posts

Showing posts with the label boss 16 pin wiring harness diagram

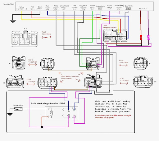
Boss Wiring Harness

Image
Wiring Diagram Symbols For Car Bookingritzcarlton Info Car Stereo Systems Car Stereo Car Audio